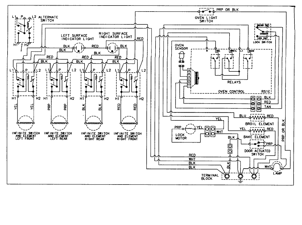
MER5550BAW 07 – WIRING INFORMATIONadmin2025-04-26T09:11:06+00:00MER5550BAW 07 – WIRING INFORMATION ProductsPositionProductNIMAY 15002849NIMAY 15003100