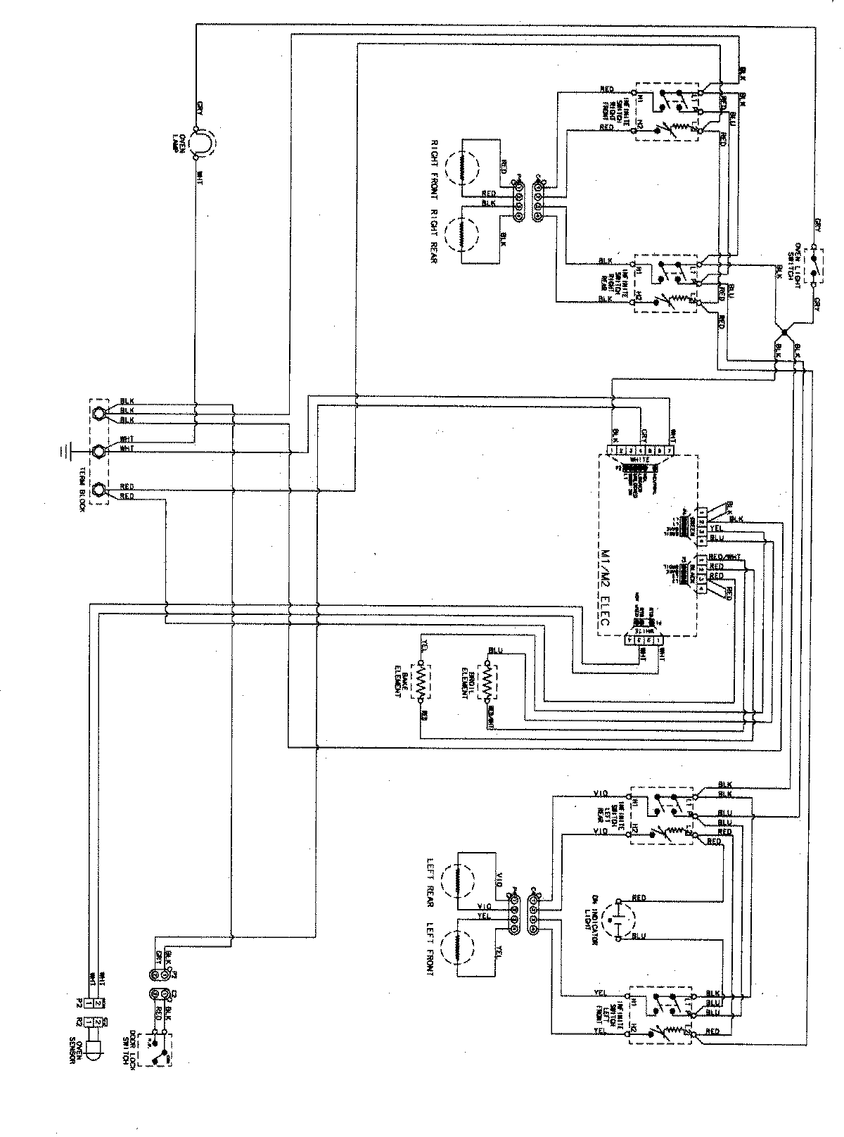
MER5551BAB 06 – WIRING INFORMATIONadmin2025-04-26T09:11:06+00:00MER5551BAB 06 – WIRING INFORMATION ProductsPositionProductNIMAY 15003494