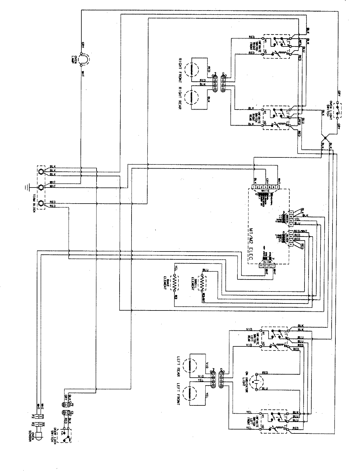
MER5551BAQ 06 – WIRING INFORMATIONadmin2025-04-26T09:09:56+00:00MER5551BAQ 06 – WIRING INFORMATION ProductsPositionProductNIMAY 15003494