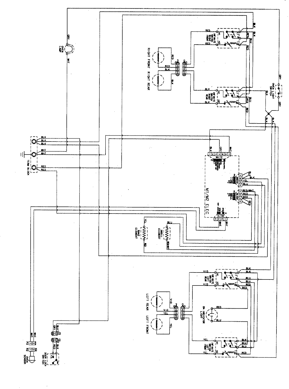
MER5551BAW 06 – WIRING INFORMATIONadmin2025-04-26T09:11:22+00:00MER5551BAW 06 – WIRING INFORMATION ProductsPositionProductNIMAY 15003494