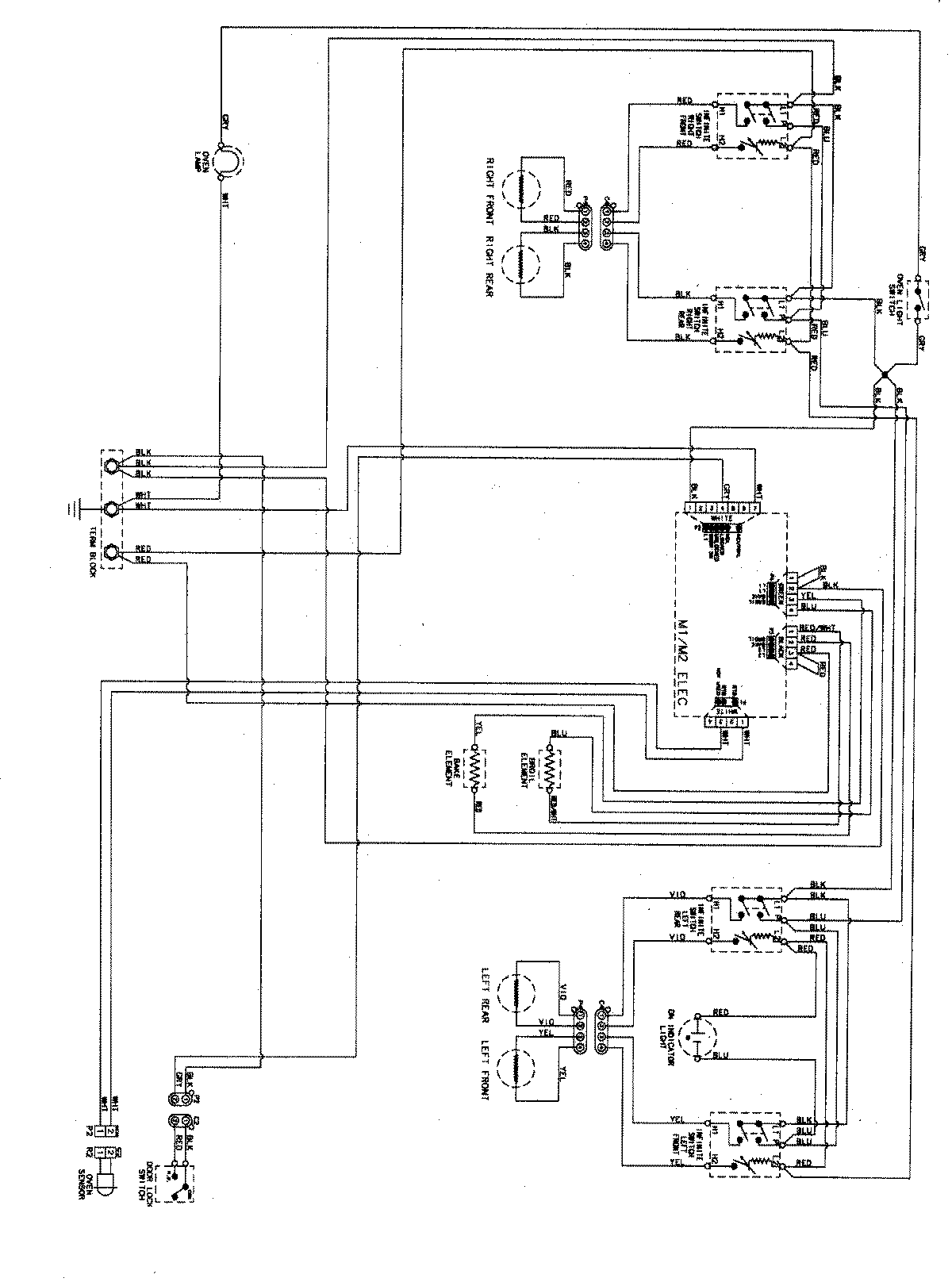
MER5552BAS 06 – WIRING INFORMATION

MER5552BAS 06 – WIRING INFORMATION

Products

PositionProduct
NIMAY 15003494