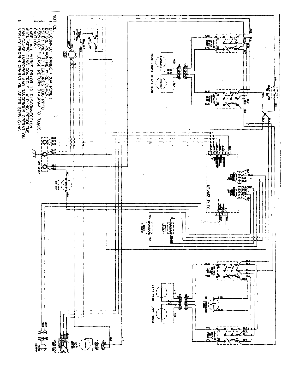
MER5555QAW 07 – WIRING INFORMATIONadmin2025-04-26T09:10:56+00:00MER5555QAW 07 – WIRING INFORMATION ProductsPositionProductNIMAY 15003729