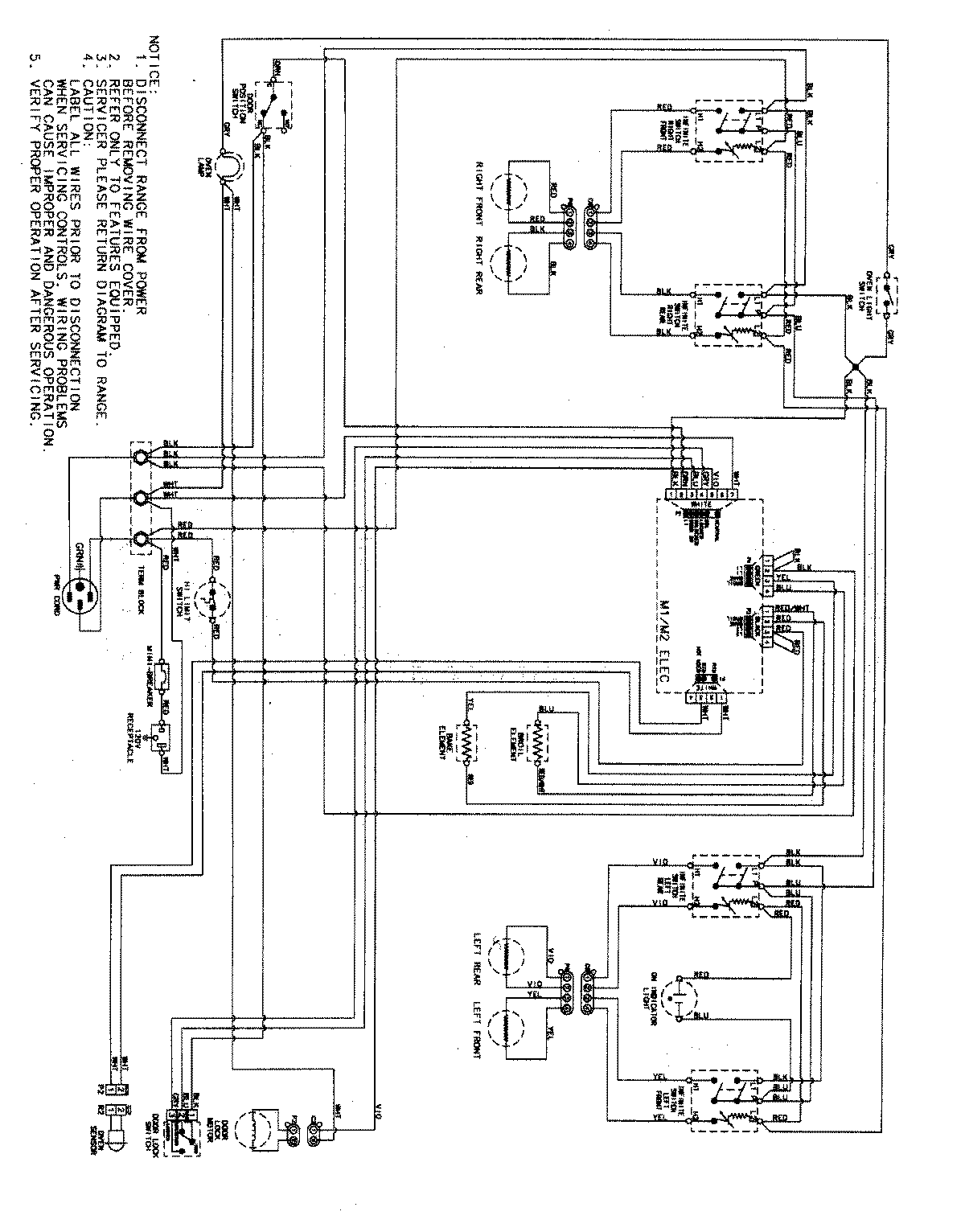
MER5555QCB 06 – WIRING INFORMATIONadmin2025-04-26T09:08:51+00:00MER5555QCB 06 – WIRING INFORMATION ProductsPositionProductNIMAY 15003372