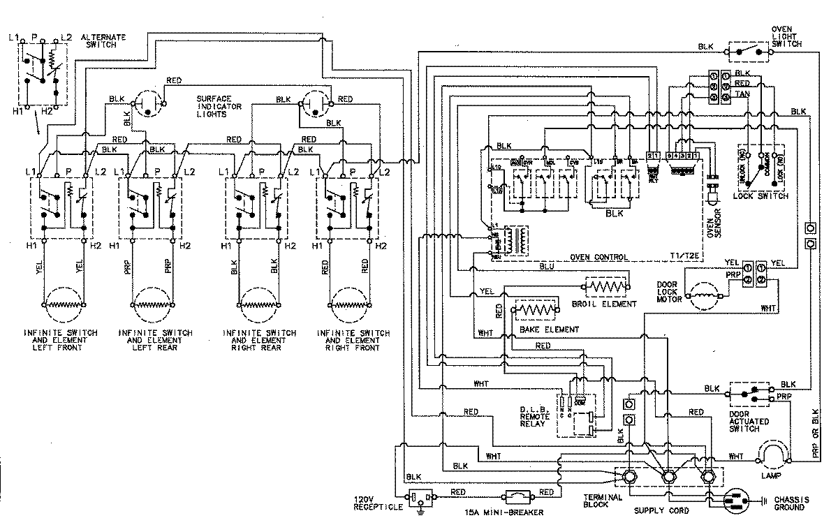
MER5570BCQ 07 – WIRING INFORMATIONadmin2025-04-26T09:11:45+00:00MER5570BCQ 07 – WIRING INFORMATION ProductsPositionProductNIMAY 15002783NIMAY 15003091