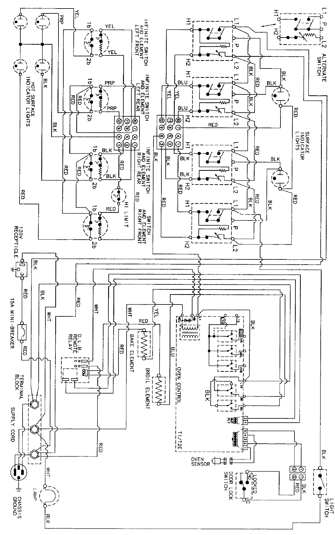
MER5730ACW 06 – WIRING INFORMATIONadmin2025-04-26T09:11:50+00:00MER5730ACW 06 – WIRING INFORMATION ProductsPositionProductNIMAY 15002343