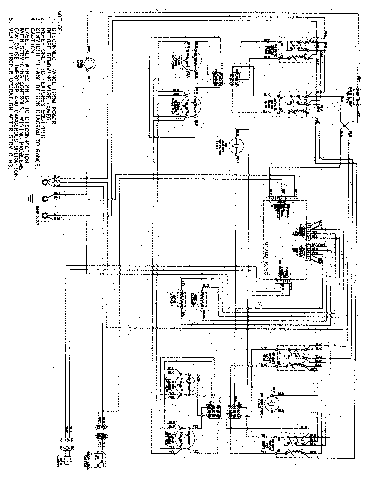
MER5751AAB 06 – WIRING INFORMATIONadmin2025-04-26T09:09:49+00:00MER5751AAB 06 – WIRING INFORMATION ProductsPositionProductNIMAY 15003512