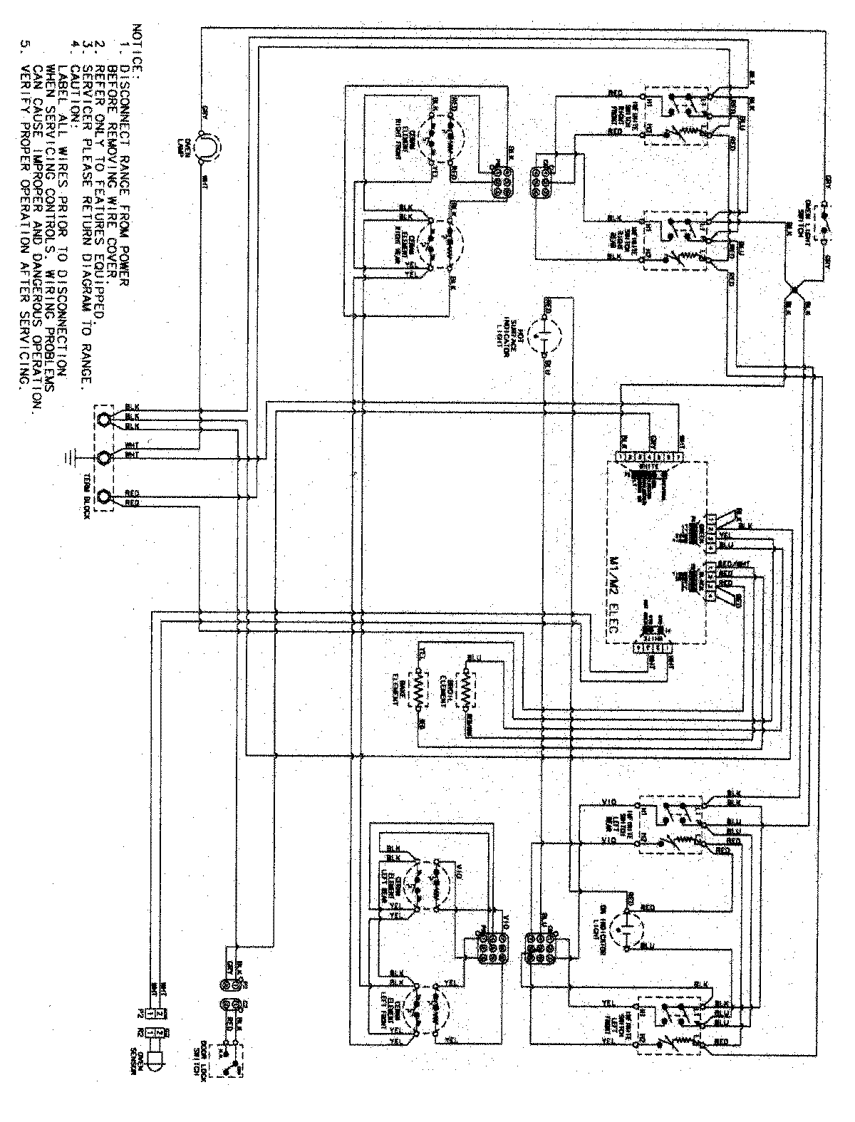
MER5751AAQ 06 – WIRING INFORMATIONadmin2025-04-26T09:11:55+00:00MER5751AAQ 06 – WIRING INFORMATION ProductsPositionProductNIMAY 15003512