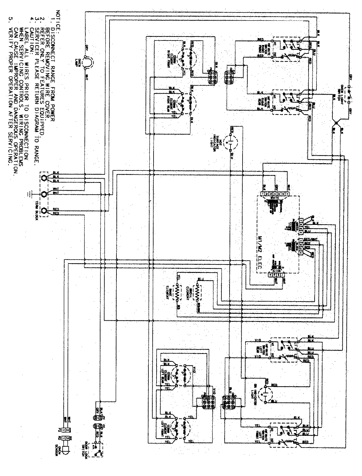
MER5751AAS 06 – WIRING INFORMATIONadmin2025-04-26T09:10:29+00:00MER5751AAS 06 – WIRING INFORMATION ProductsPositionProductNIMAY 15003512