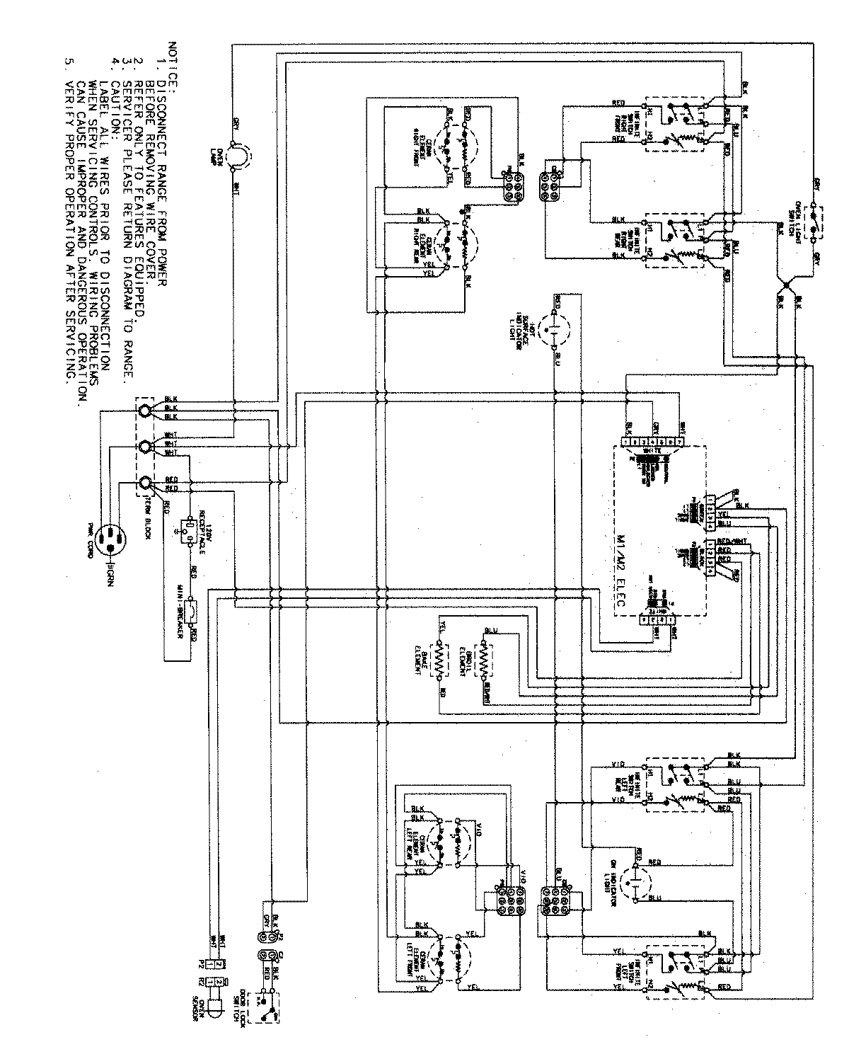
MER5751ACS 06 – WIRING INFORMATIONadmin2025-04-26T09:11:42+00:00MER5751ACS 06 – WIRING INFORMATION ProductsPositionProductNIMAY 15003613