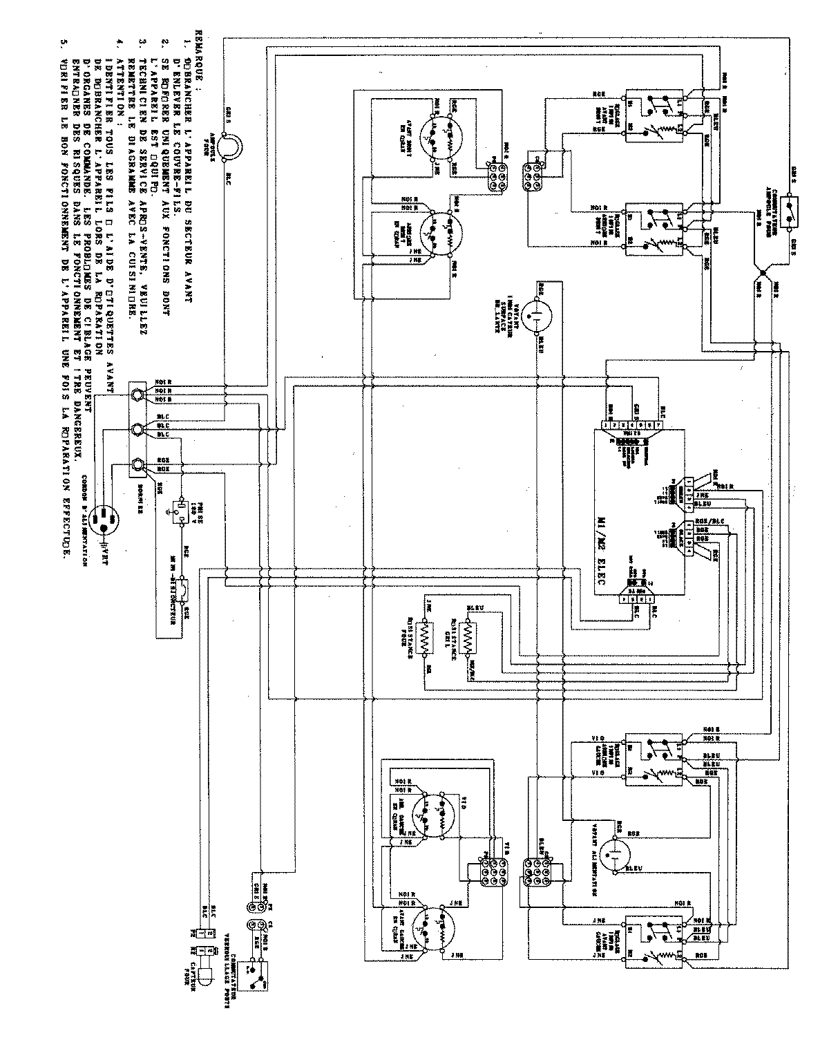
MER5751ACS 07 – WIRING INFORMATIONadmin2025-04-26T09:10:15+00:00MER5751ACS 07 – WIRING INFORMATION ProductsPositionProduct1MAY 15003614