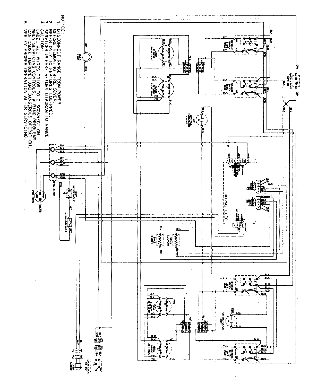
MER5751ACW 06 – WIRING INFORMATIONadmin2025-04-26T09:11:58+00:00MER5751ACW 06 – WIRING INFORMATION ProductsPositionProductNIMAY 15003613