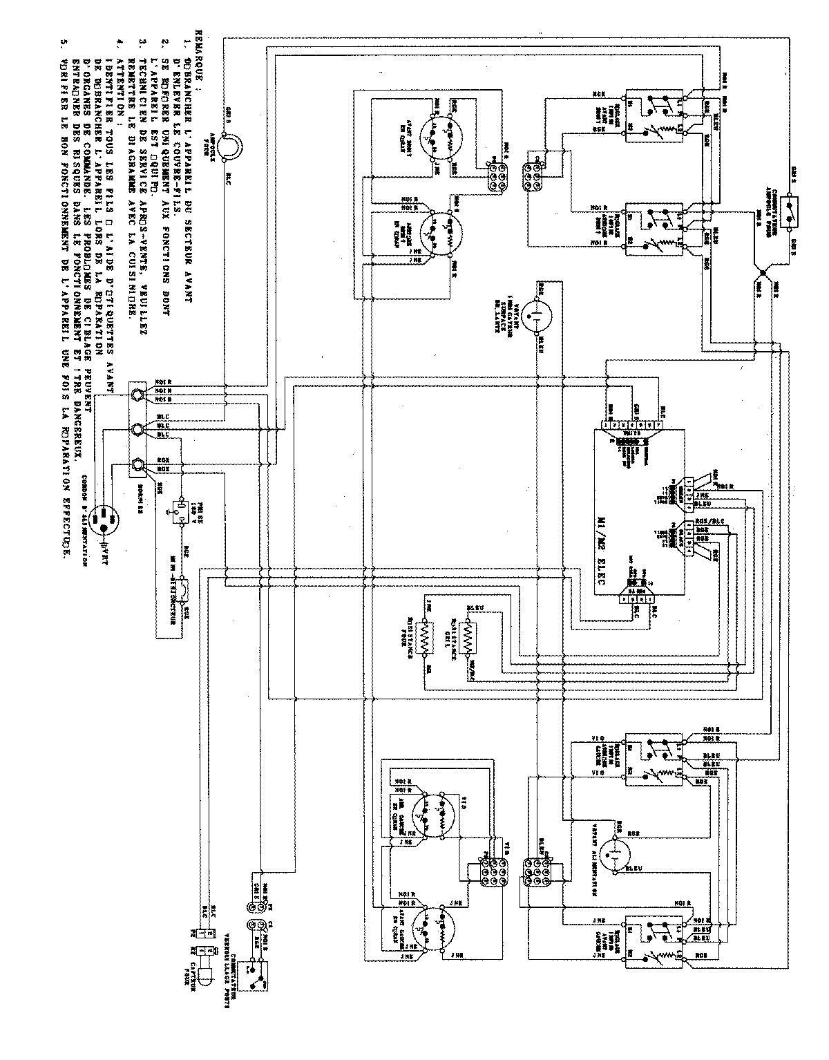
MER5751ACW 07 – WIRING INFORMATIONadmin2025-04-26T09:10:14+00:00MER5751ACW 07 – WIRING INFORMATION ProductsPositionProduct1MAY 15003614