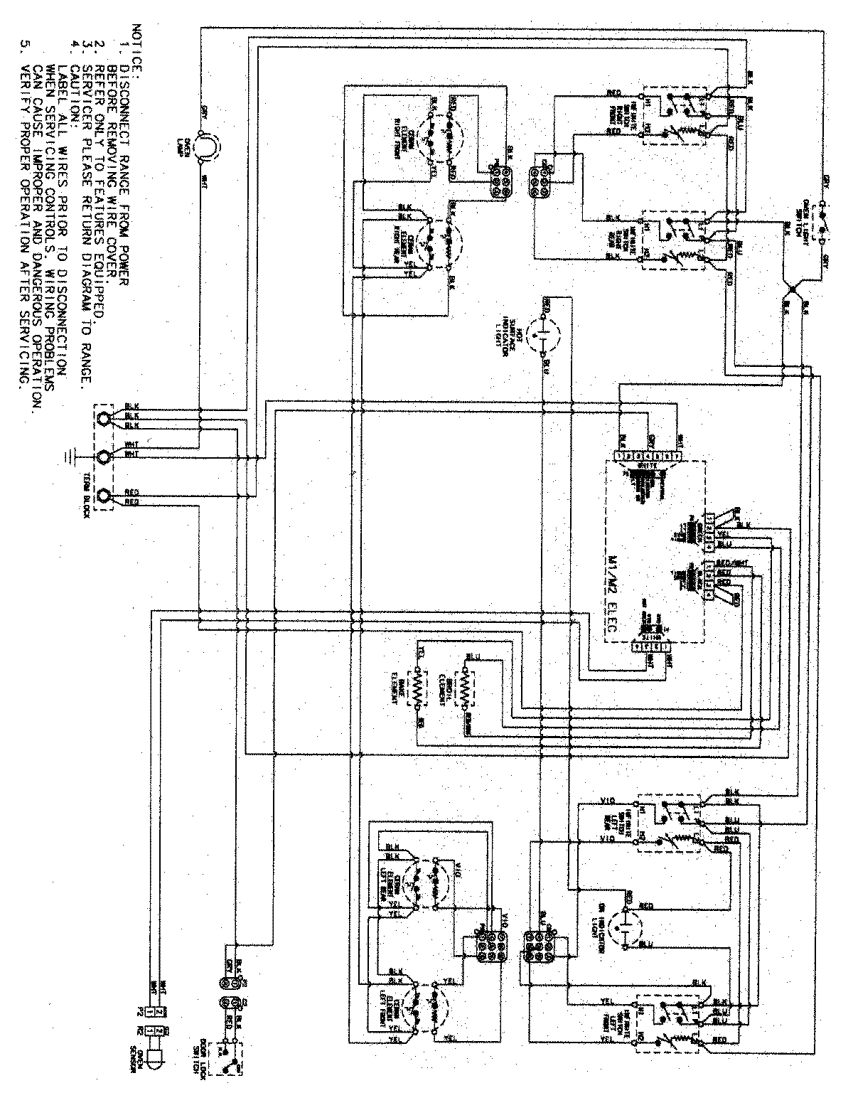
MER5751BAB 06 – WIRING INFORMATIONadmin2025-04-26T09:11:31+00:00MER5751BAB 06 – WIRING INFORMATION ProductsPositionProductNIMAY 15003512