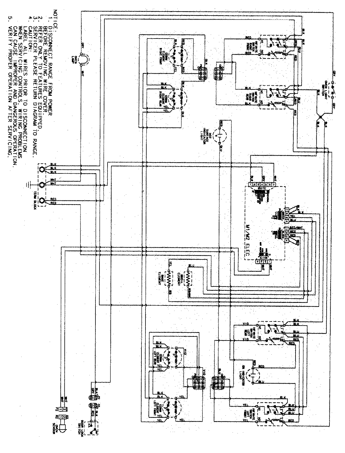
MER5751BAQ 06 – WIRING INFORMATIONadmin2025-04-26T09:12:19+00:00MER5751BAQ 06 – WIRING INFORMATION ProductsPositionProductNIMAY 15003512