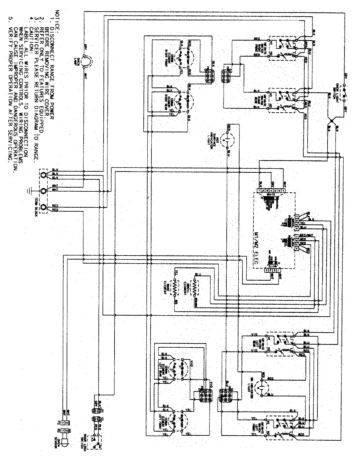
MER5751BAS 06 – WIRING INFORMATIONadmin2025-04-26T09:12:11+00:00MER5751BAS 06 – WIRING INFORMATION ProductsPositionProductNIMAY 15003512