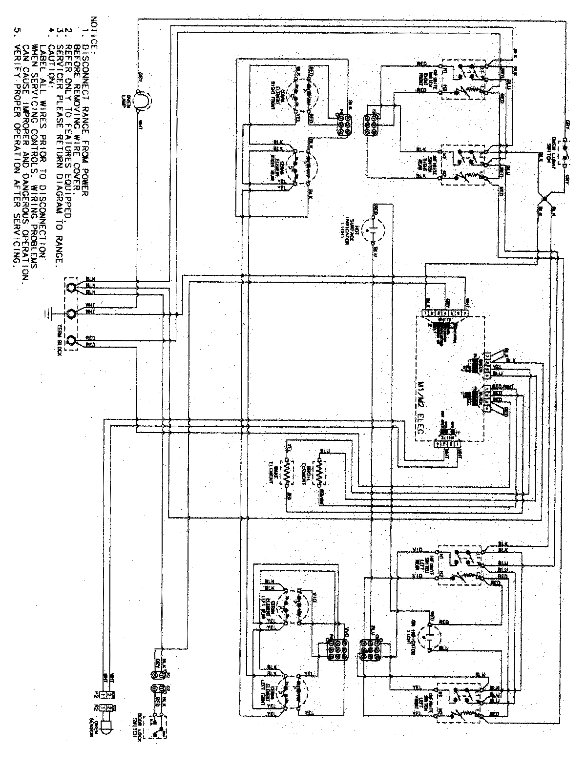
MER5752AAW 06 – WIRING INFORMATIONadmin2025-04-26T09:10:38+00:00MER5752AAW 06 – WIRING INFORMATION ProductsPositionProductNIMAY 15003512