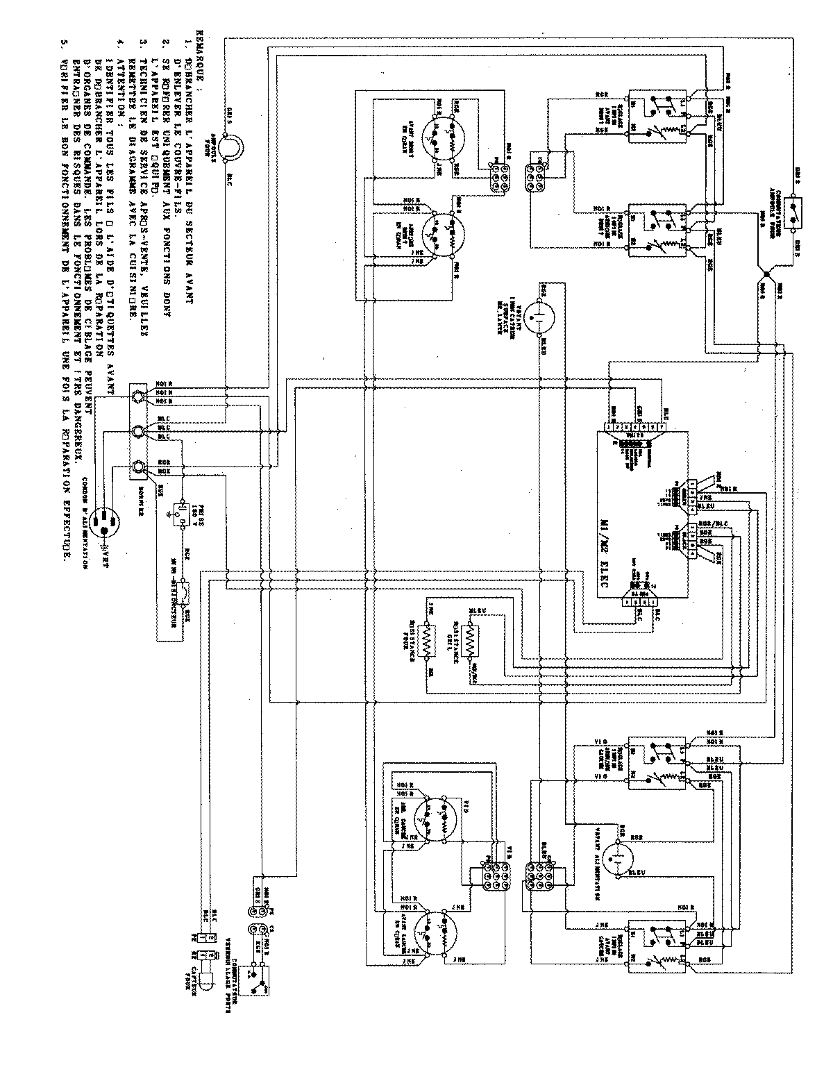
MER5752ACW 07 – WIRING INFORMATIONadmin2025-04-26T09:12:12+00:00MER5752ACW 07 – WIRING INFORMATION ProductsPositionProduct1MAY 15003614