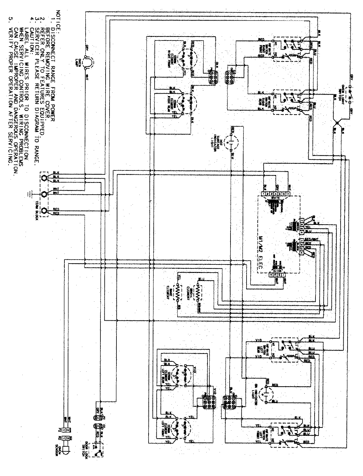
MER5752BAB 06 – WIRING INFORMATIONadmin2025-04-26T09:10:44+00:00MER5752BAB 06 – WIRING INFORMATION ProductsPositionProductNIMAY 15003512