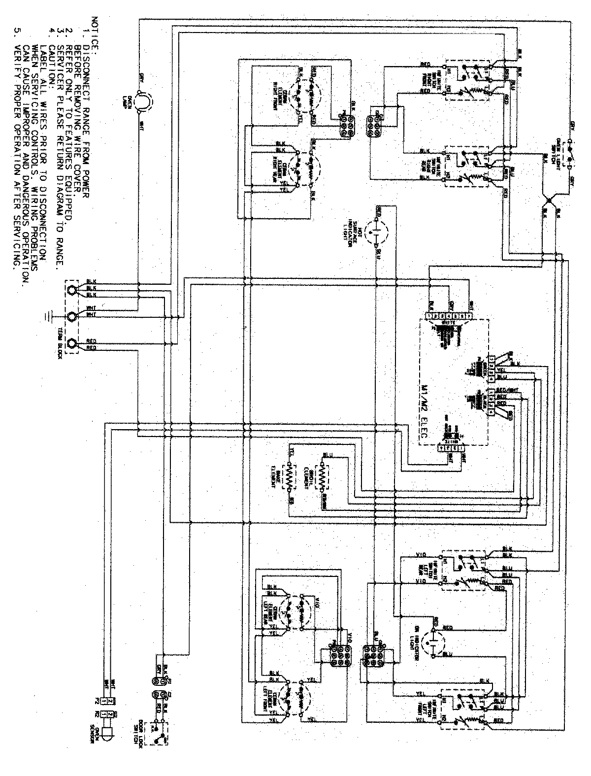
MER5752BAS 06 – WIRING INFORMATIONadmin2025-04-26T09:12:20+00:00MER5752BAS 06 – WIRING INFORMATION ProductsPositionProductNIMAY 15003512