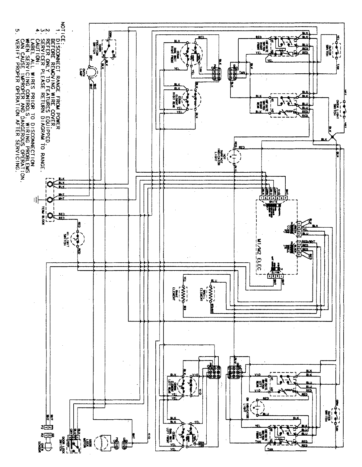
MER5765QAF 06 – WIRING INFORMATIOMadmin2025-04-26T09:12:10+00:00MER5765QAF 06 – WIRING INFORMATIOM ProductsPositionProductNIMAY 15003694