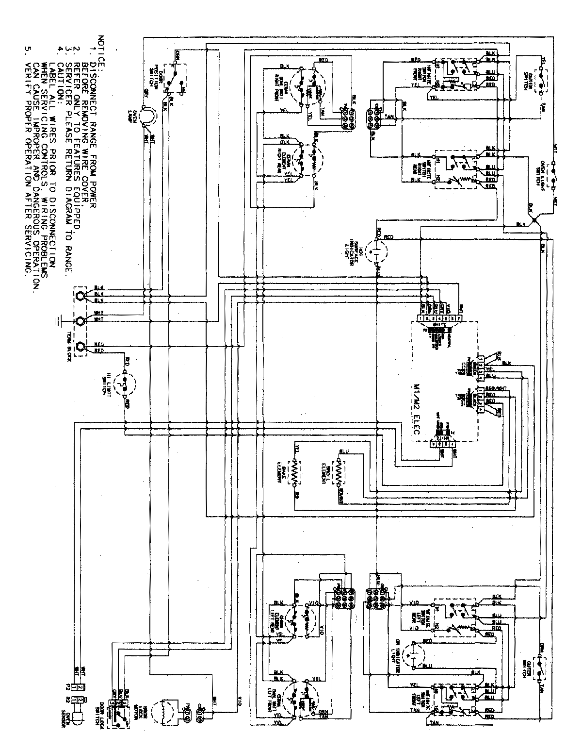
MER5765QAQ 06 – WIRING INFORMATIOM

MER5765QAQ 06 – WIRING INFORMATIOM

Products

PositionProduct
NIMAY 15003694