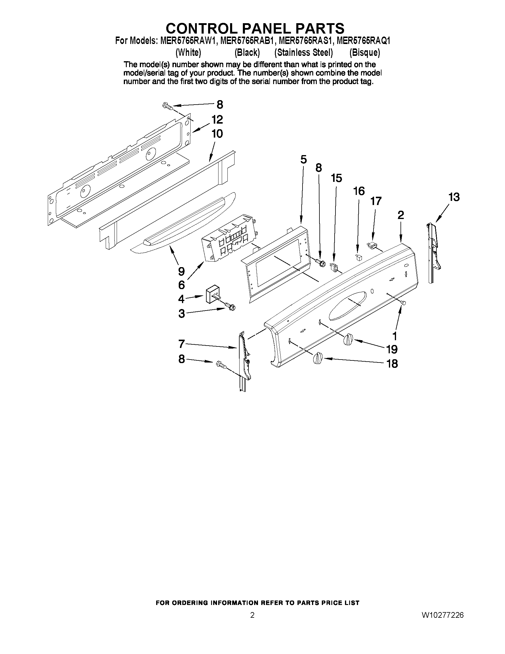
MER5765RAS1 02 – CONTROL PANEL PARTS