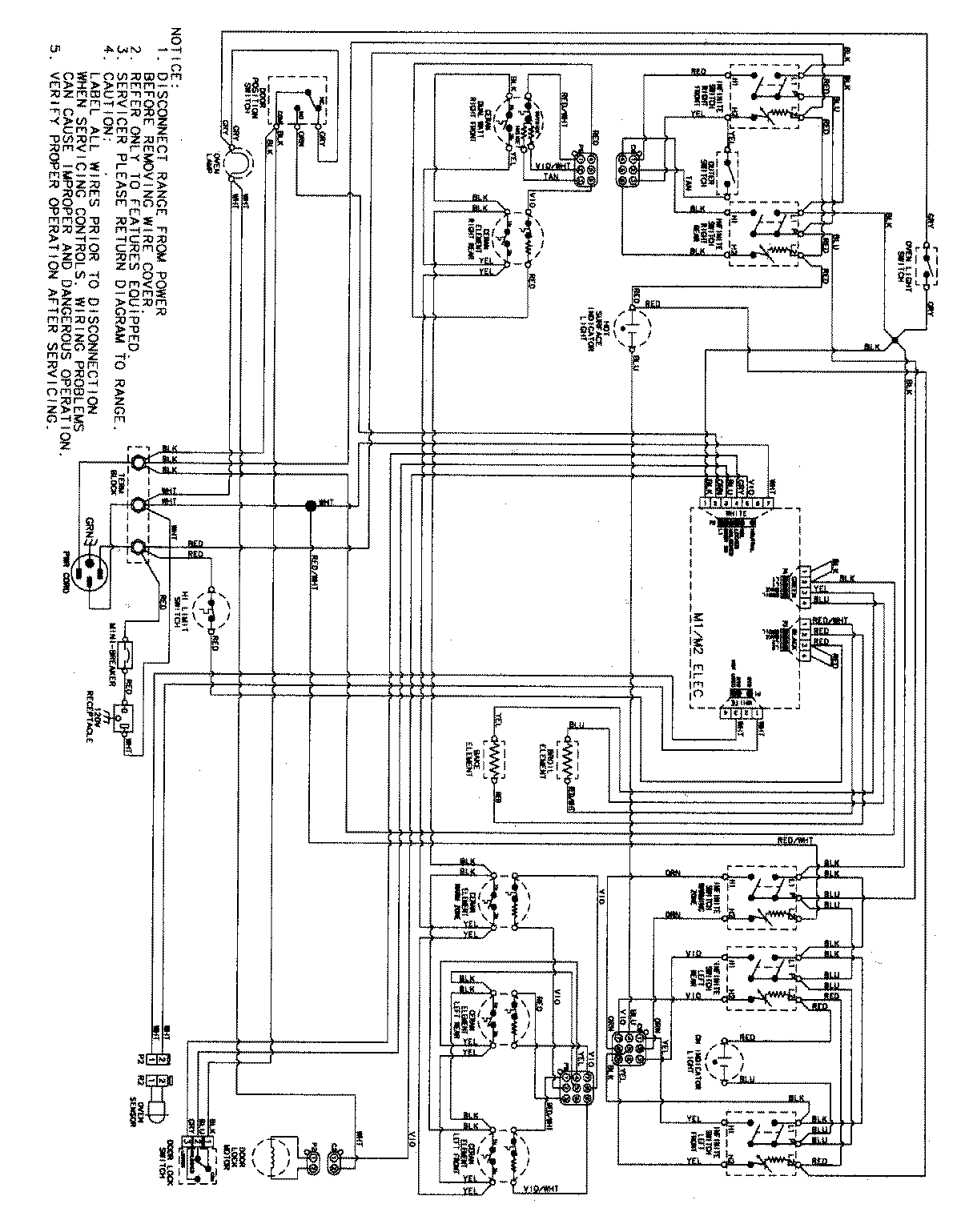
MER5765RCB 06 – WIRING INFORMATIONadmin2025-04-26T09:11:31+00:00MER5765RCB 06 – WIRING INFORMATION ProductsPositionProductNIMAY 15003752