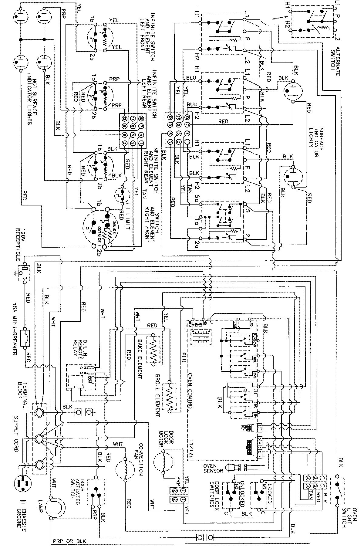
MER5770ACB 06 – WIRING INFORMATIONadmin2025-04-26T09:12:14+00:00MER5770ACB 06 – WIRING INFORMATION ProductsPositionProductNIMAY 15002331