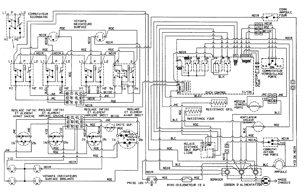
MER5770ACB 07 – WIRING INFORMATION

MER5770ACB 07 – WIRING INFORMATION

Products

PositionProduct
1MAY 15002785