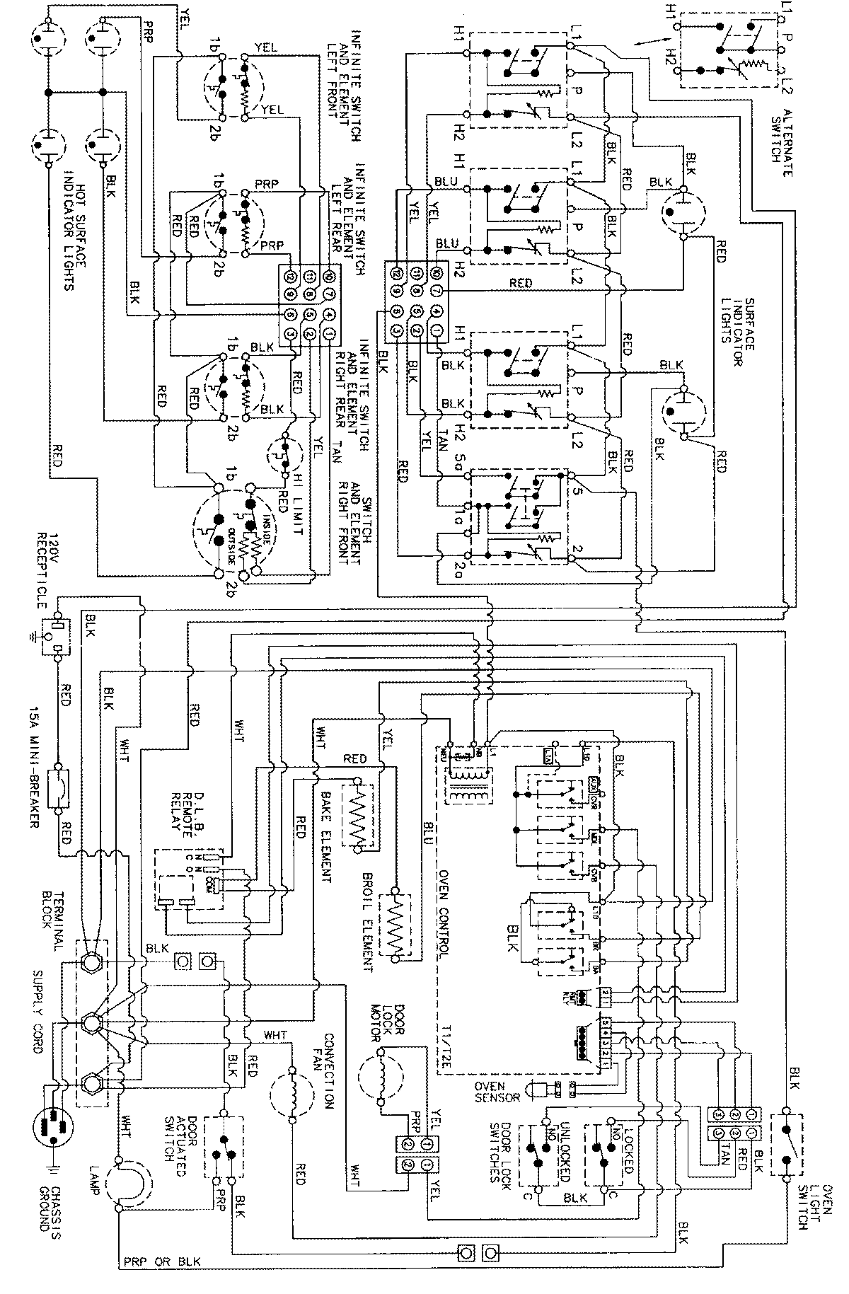
MER5770ACW 06 – WIRING INFORMATION

MER5770ACW 06 – WIRING INFORMATION

Products

PositionProduct
NIMAY 15002331