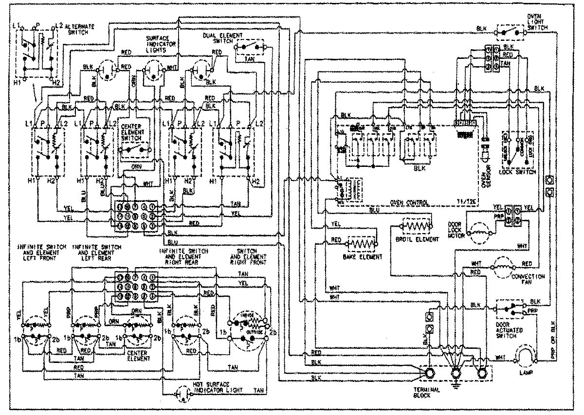
MER5770BAQ 07 – WIRING INFORMATIONadmin2025-04-26T09:11:08+00:00MER5770BAQ 07 – WIRING INFORMATION ProductsPositionProductNIMAY 15002884NIMAY 15003097NIMAY 15003108NIMAY 15003142