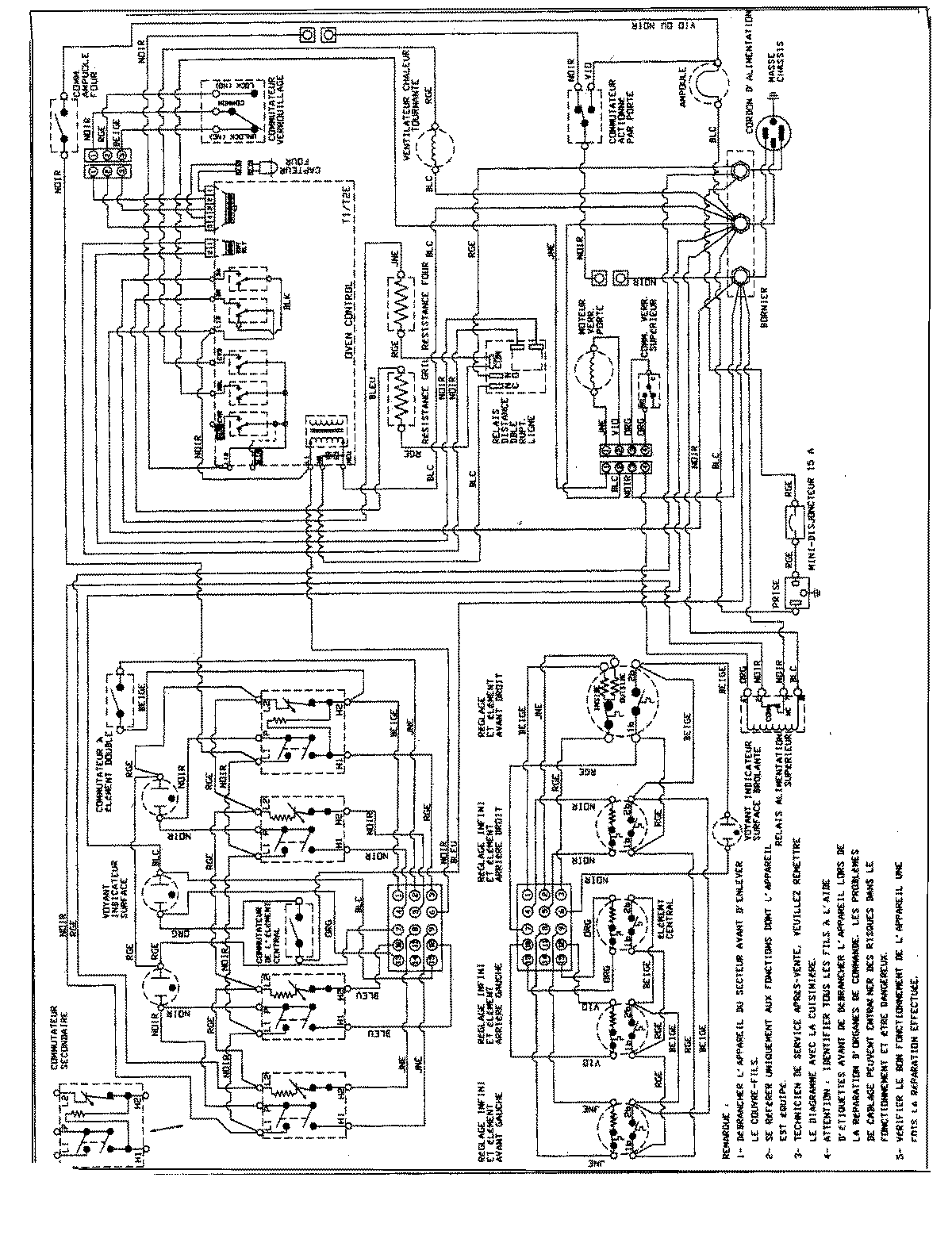
MER5770BCQ 07 – WIRING INFORMATIONadmin2025-04-26T09:13:11+00:00MER5770BCQ 07 – WIRING INFORMATION ProductsPositionProductNIMAY 15002886NIMAY 15003094NIMAY 15003105