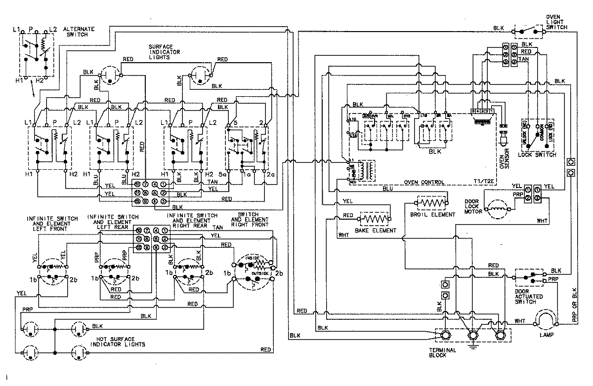
MER5775AAQ 07 – WIRING INFORMATIONadmin2025-04-26T09:12:00+00:00MER5775AAQ 07 – WIRING INFORMATION ProductsPositionProductNIMAY 15002773