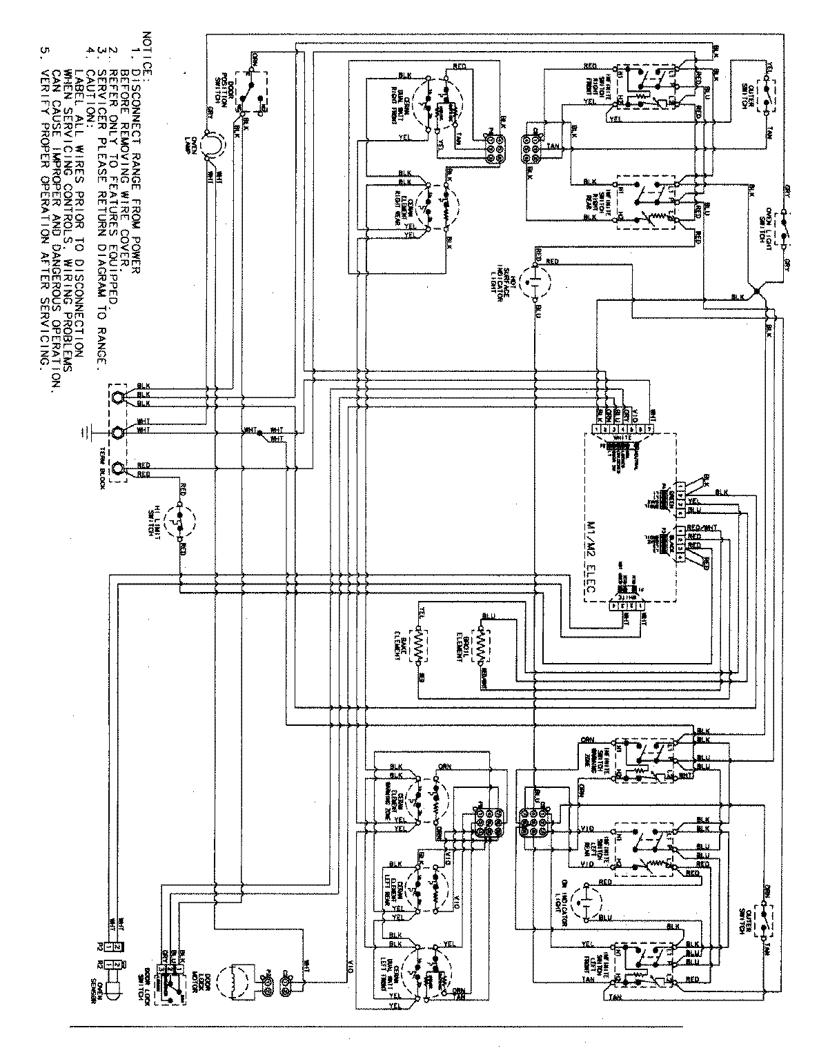
MER5775QAQ 06 – WIRING INFORMATIONadmin2025-04-26T09:11:52+00:00MER5775QAQ 06 – WIRING INFORMATION ProductsPositionProductNIMAY 15003690