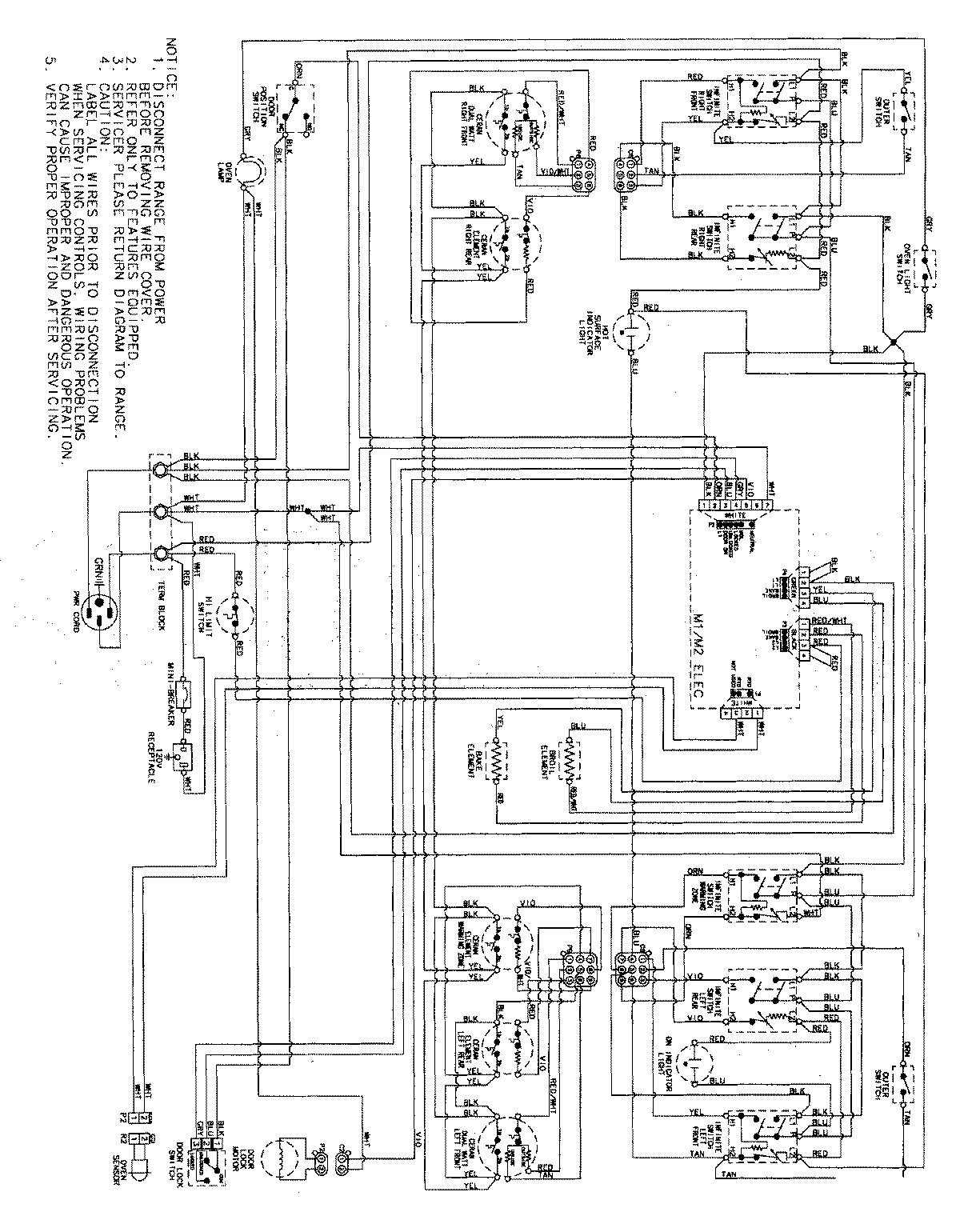
MER5775QCB 06 – WIRING INFORMATIONadmin2025-04-26T09:11:14+00:00MER5775QCB 06 – WIRING INFORMATION ProductsPositionProductNIMAY 15003377