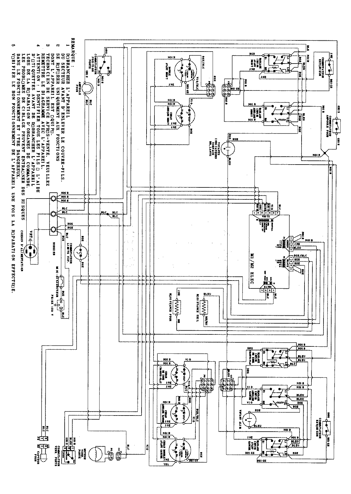
MER5775QCB 07 – WIRING INFORMATIONadmin2025-04-26T09:09:59+00:00MER5775QCB 07 – WIRING INFORMATION ProductsPositionProduct1MAY 15003378