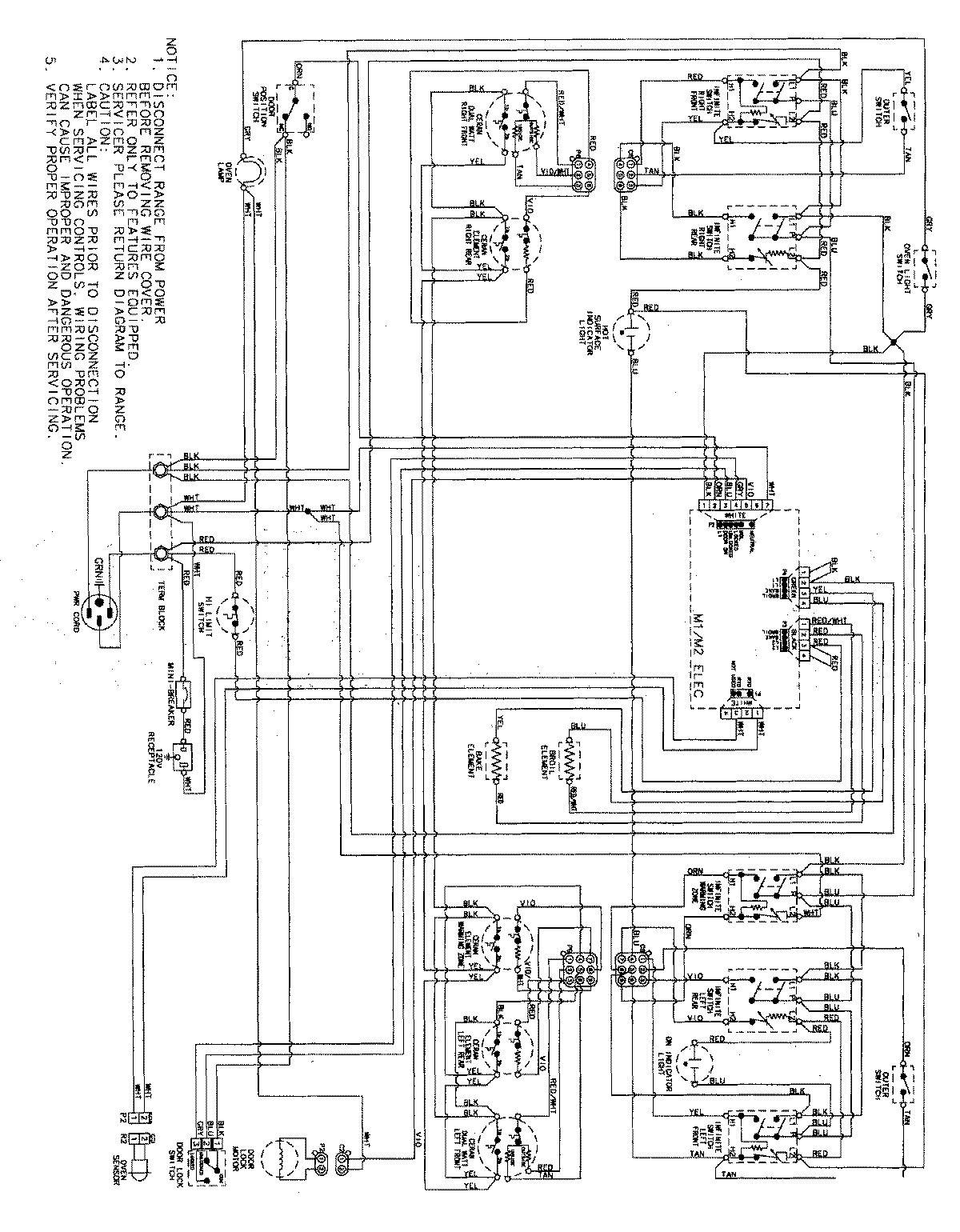
MER5775QCF 06 – WIRING INFORMATIONadmin2025-04-26T09:11:07+00:00MER5775QCF 06 – WIRING INFORMATION ProductsPositionProductNIMAY 15003377