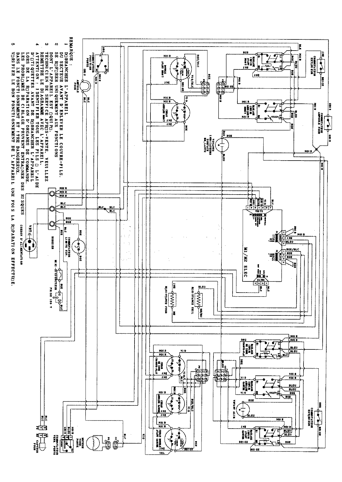
MER5775QCF 07 – WIRING INFORMATIONadmin2025-04-26T09:10:26+00:00MER5775QCF 07 – WIRING INFORMATION ProductsPositionProduct1MAY 15003378