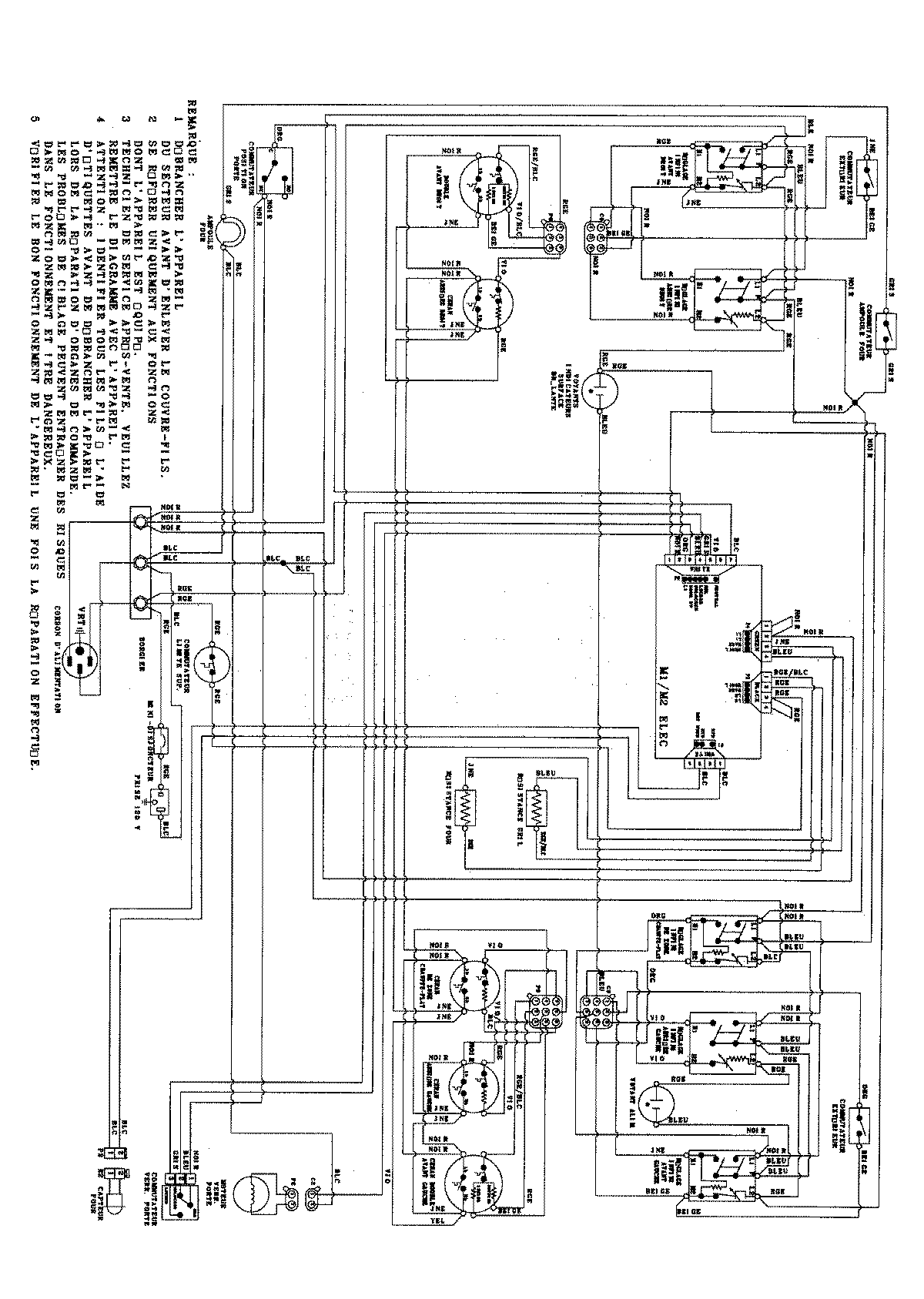
MER5775QCQ 07 – WIRING INFORMATIONadmin2025-04-26T09:13:05+00:00MER5775QCQ 07 – WIRING INFORMATION ProductsPositionProduct1MAY 15003378