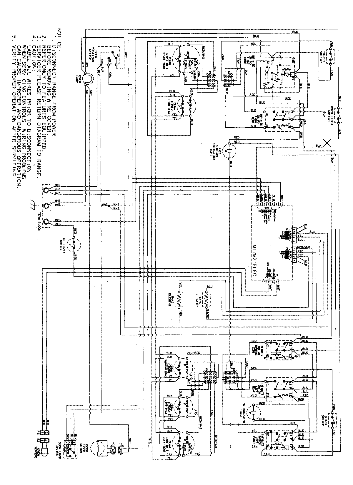
MER5775RAB 06 – WIRING INFORMATION

MER5775RAB 06 – WIRING INFORMATION

Products

PositionProduct
NIMAY 15003744