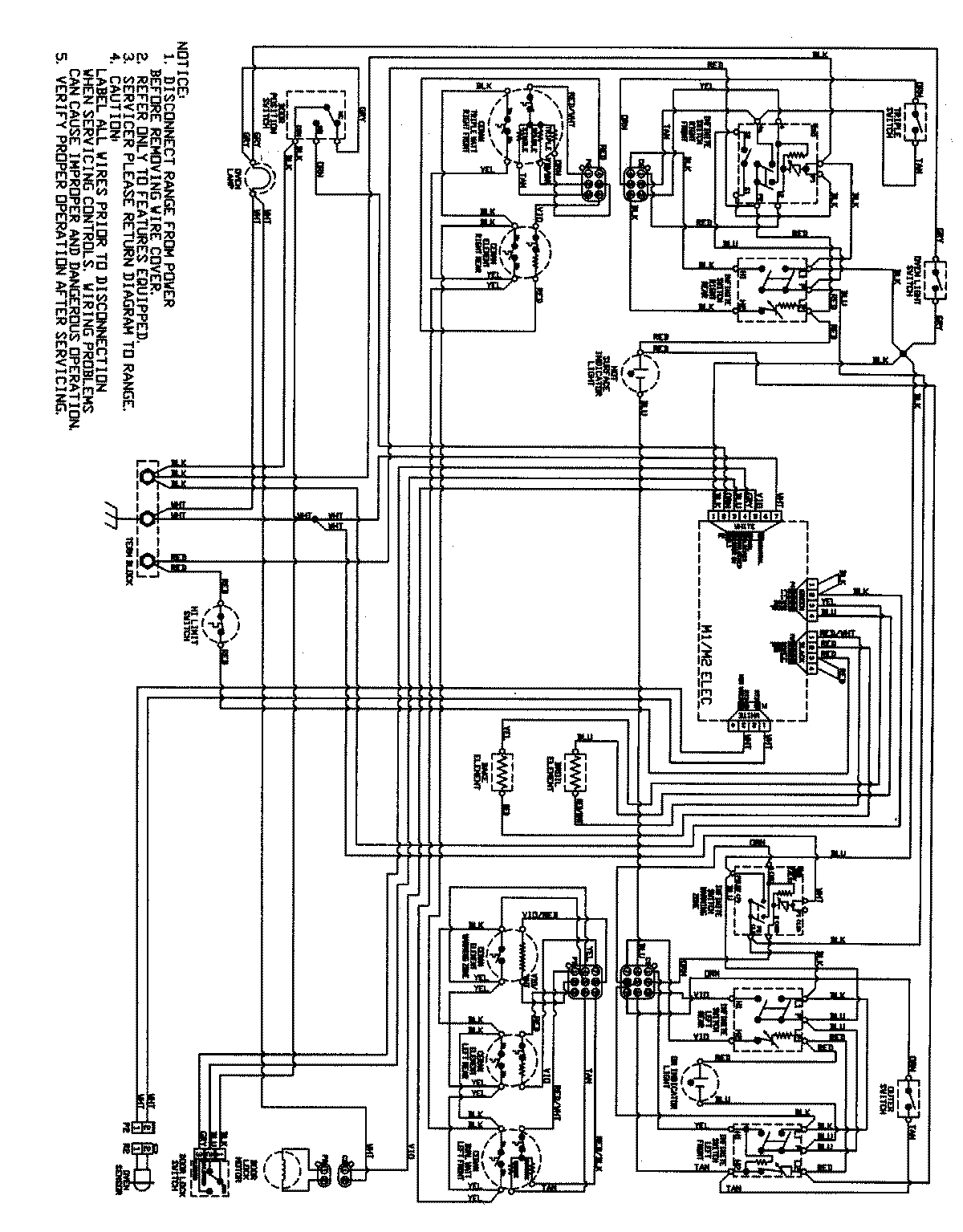
MER5775RAQ 07 – WIRING INFORMATION (SERIES 12)admin2025-04-26T09:12:48+00:00MER5775RAQ 07 – WIRING INFORMATION (SERIES 12) ProductsPositionProductNIMAY 15003878