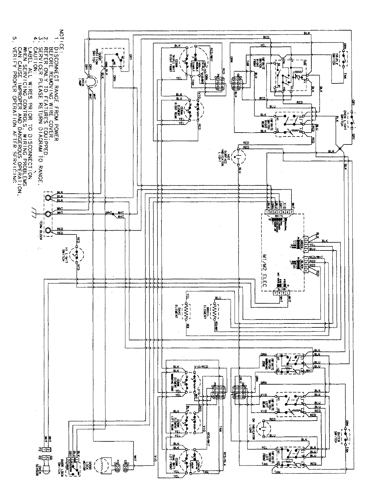
MER5775RAS 06 – WIRING INFORMATIONadmin2025-04-26T09:12:23+00:00MER5775RAS 06 – WIRING INFORMATION ProductsPositionProductNIMAY 15003744