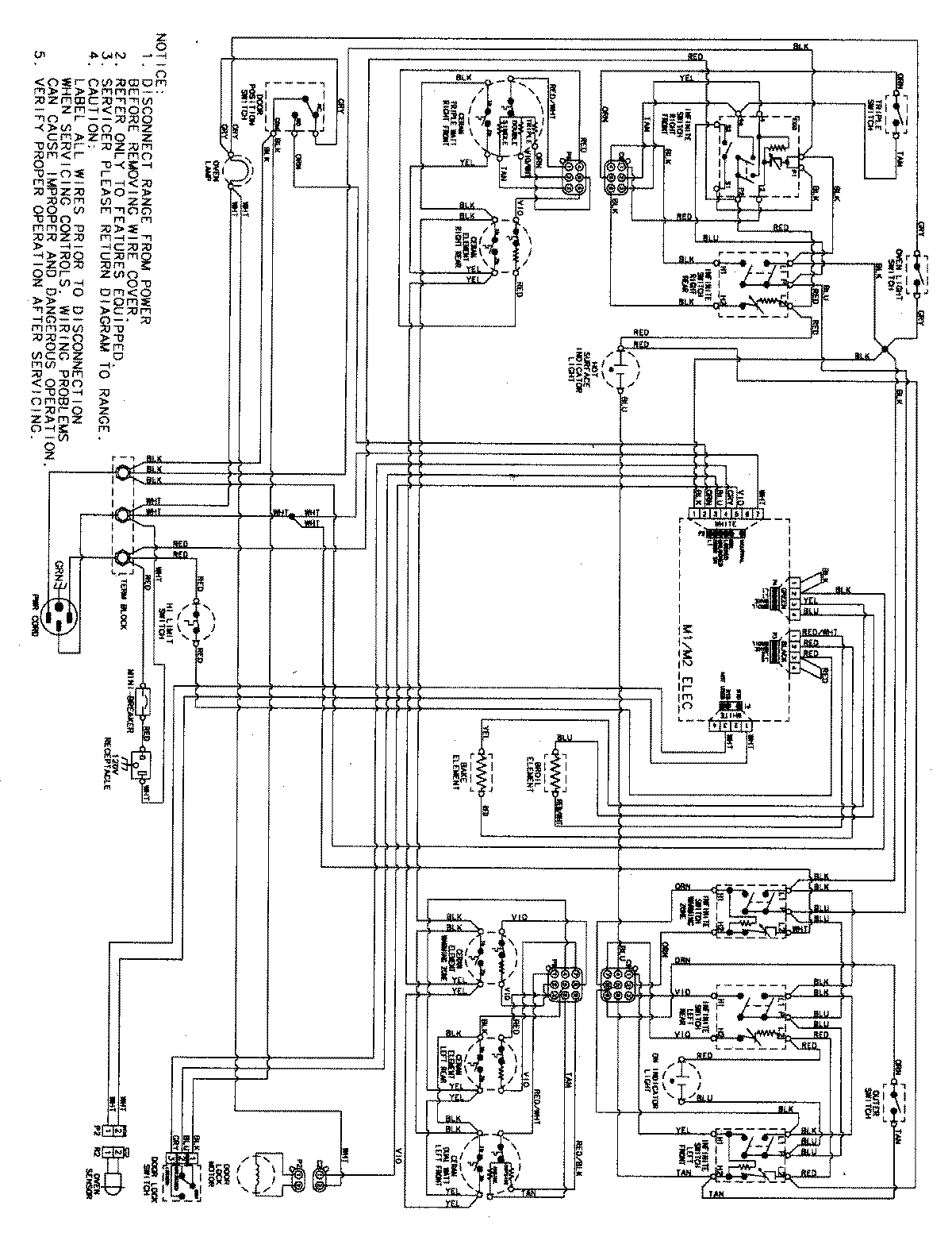
MER5775RCB 06 – WIRING INFORMATIONadmin2025-04-26T09:12:22+00:00MER5775RCB 06 – WIRING INFORMATION ProductsPositionProductNIMAY 15003756