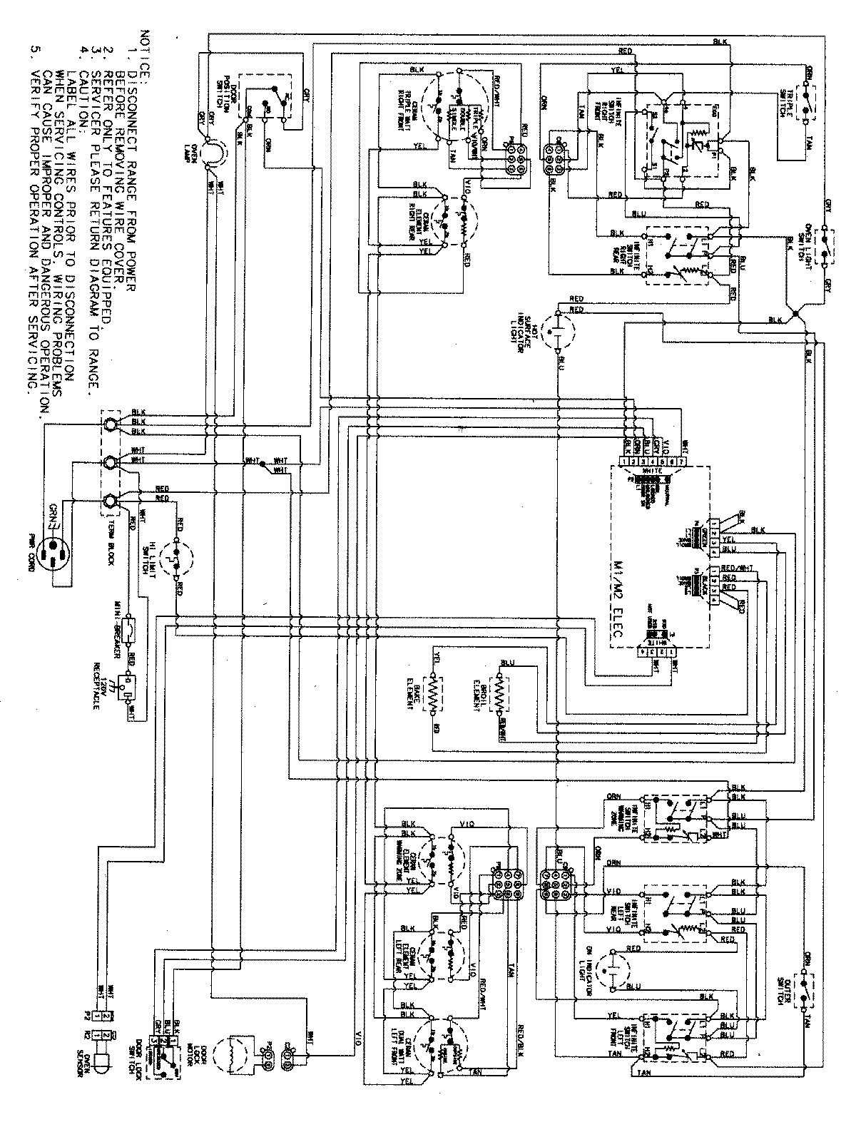
MER5775RCF 06 – WIRING INFORMATIONadmin2025-04-26T09:12:54+00:00MER5775RCF 06 – WIRING INFORMATION ProductsPositionProductNIMAY 15003756