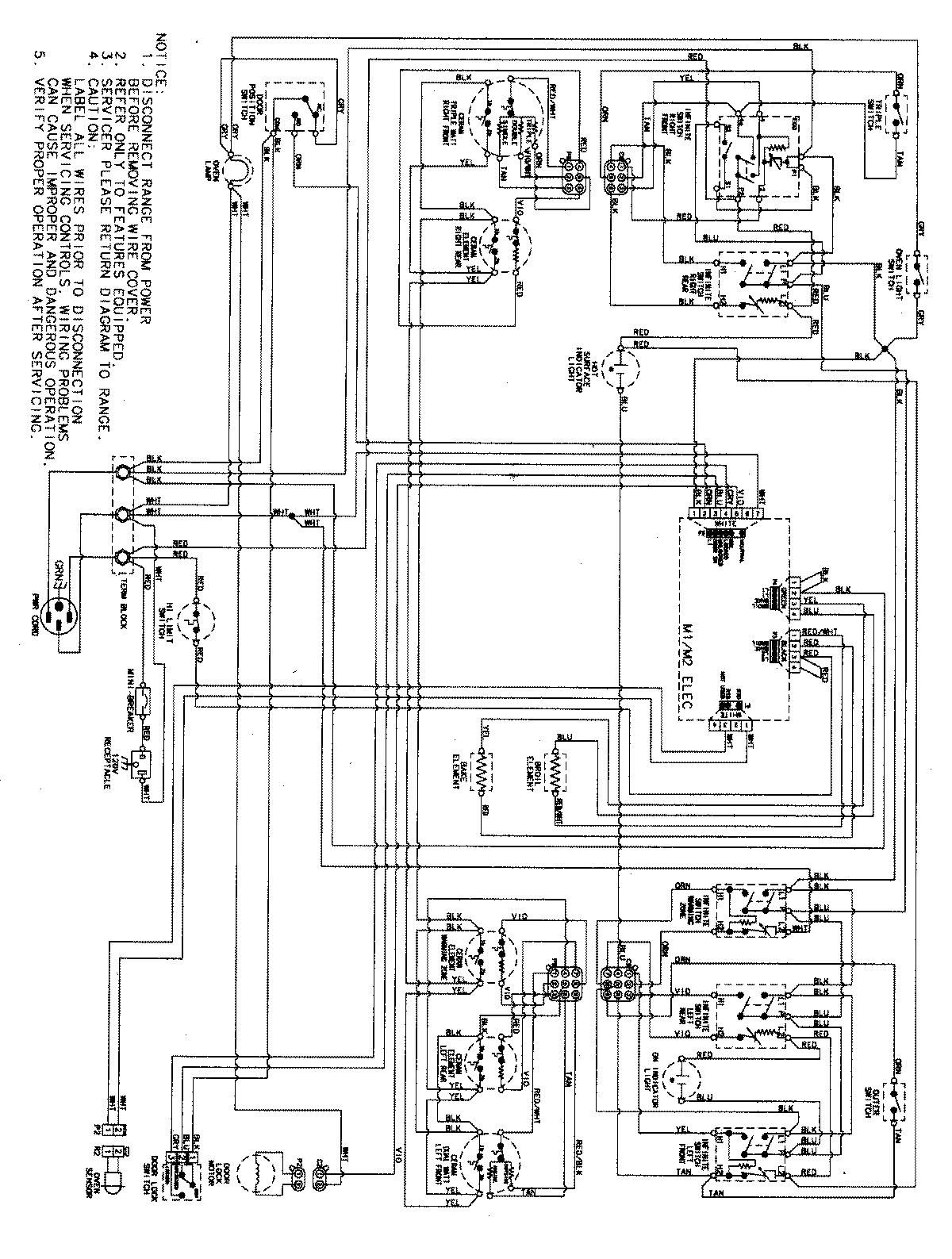
MER5775RCQ 06 – WIRING INFORMATIONadmin2025-04-26T09:12:16+00:00MER5775RCQ 06 – WIRING INFORMATION ProductsPositionProductNIMAY 15003756