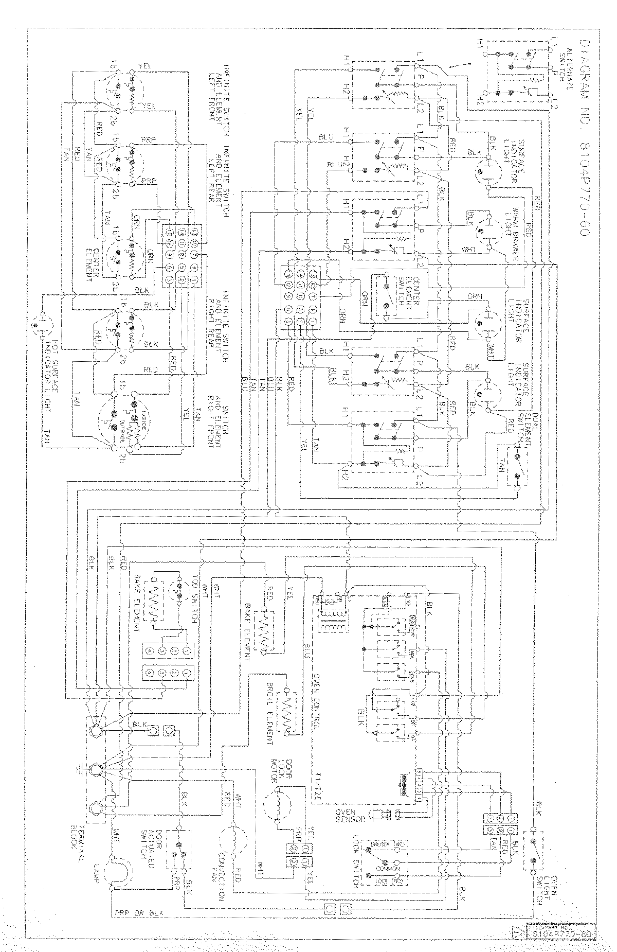
MER5780BAQ 07 – WIRING INFORMATIONadmin2025-04-26T09:12:21+00:00MER5780BAQ 07 – WIRING INFORMATION ProductsPositionProductNIMAY 15002875NIMAY 15003098NIMAY 15003109NIMAY 15003143