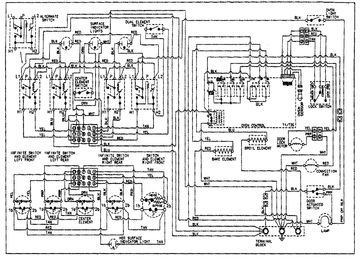
MER5870BAQ 07 – WIRING INFORMATIONadmin2025-04-26T09:13:02+00:00MER5870BAQ 07 – WIRING INFORMATION ProductsPositionProductNIMAY 15002884NIMAY 15003097NIMAY 15003108