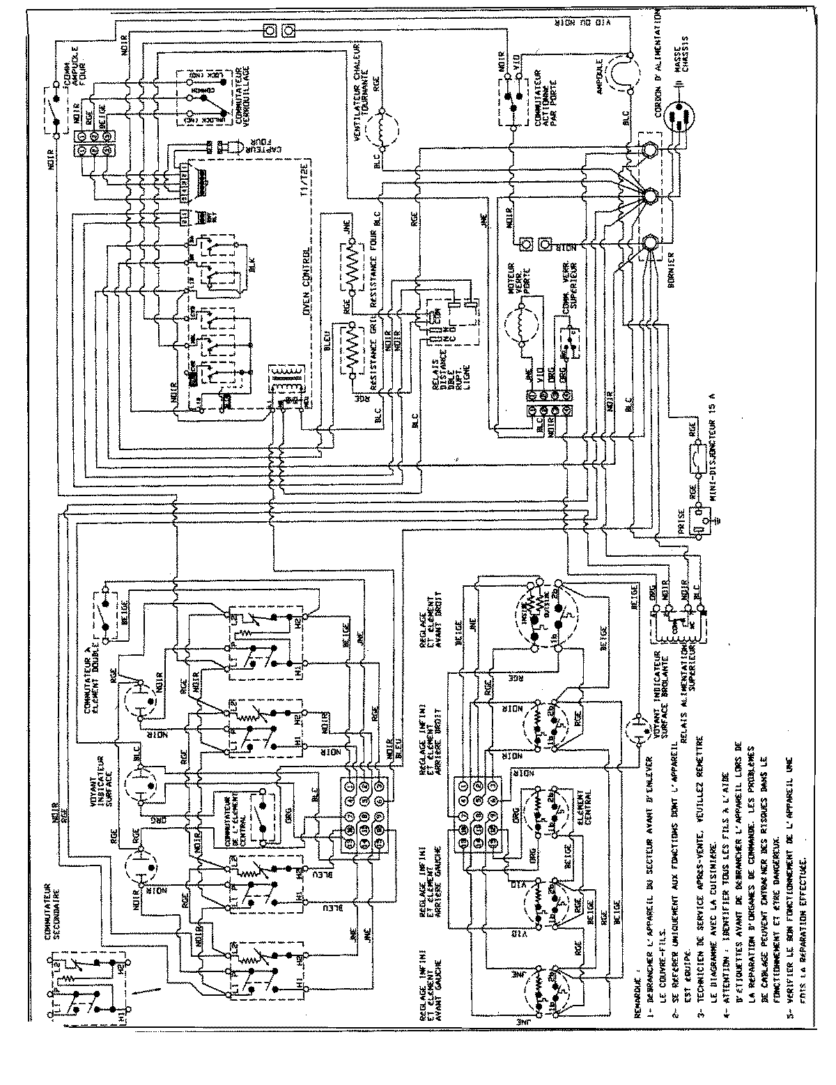
MER5870BCS 08 – WIRING INFORMATIONadmin2025-04-26T09:11:09+00:00MER5870BCS 08 – WIRING INFORMATION ProductsPositionProductNIMAY 15002886NIMAY 15003094NIMAY 15003105