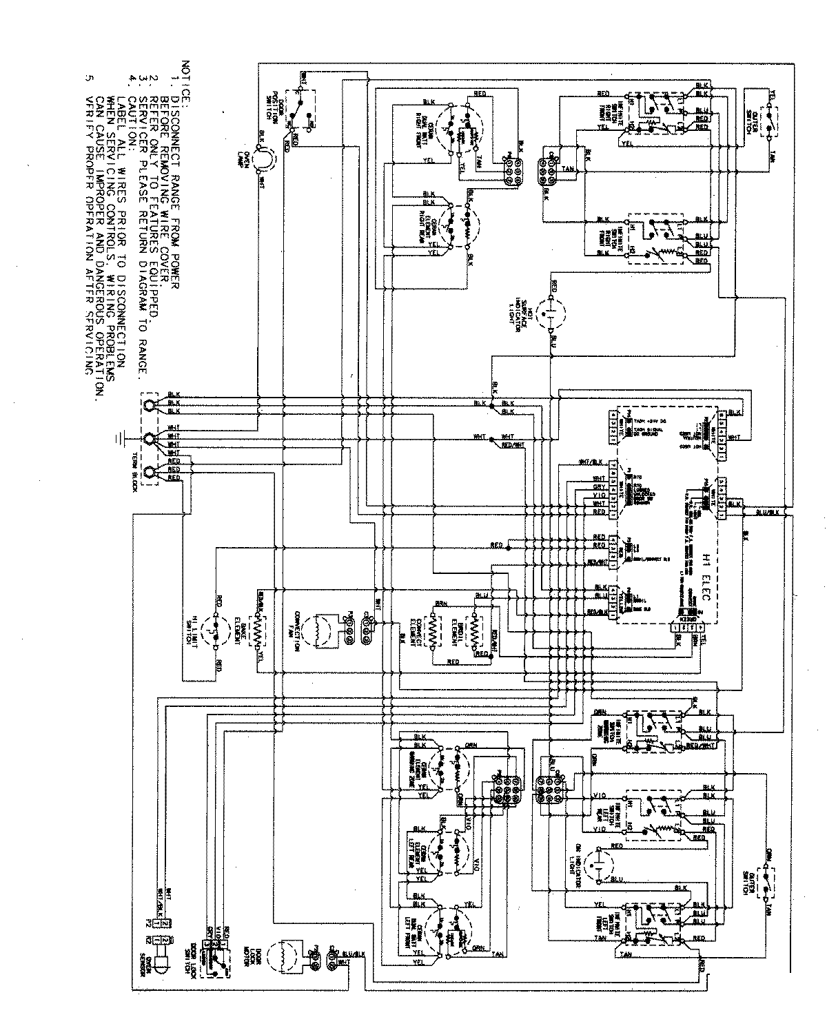
MER5875QAF 06 – WIRING INFORMATIONadmin2025-04-26T09:13:02+00:00MER5875QAF 06 – WIRING INFORMATION ProductsPositionProductNIMAY 15003693