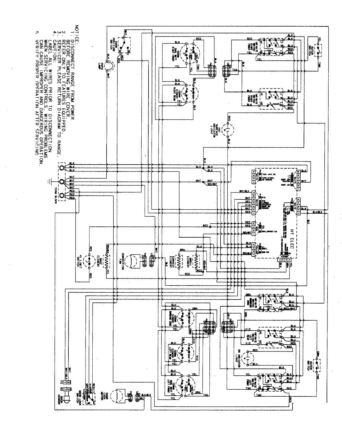
MER5875QAN 06 – WIRING INFORMATIONadmin2025-04-26T09:11:16+00:00MER5875QAN 06 – WIRING INFORMATION ProductsPositionProductNIMAY 15003693